Máy In Phun Markem-Imaje DoD 4500
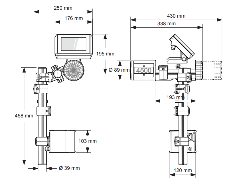
Máy in phun Markem-Imaje DoD 4500 – In ký tự lớn trên thùng carton và bao bì với công nghệ van điều khiển (DoD), tốc độ 60m/phút, điều khiển đến 4 đầu in. Chiều cao chữ từ 8–64mm, bản tin tối đa 5000 ký tự, lưu trữ 800 bản tin. Dung tích mực 0.5–1L. Thiết kế nhỏ gọn 603x250x430mm, dễ cài đặt và vận hành.
- Hotline: 0965 800 166
Bạn đang tìm kiếm giải pháp in ký tự lớn, rõ nét cho dây chuyền sản xuất của mình? Hãy để Máy in phun Markem-Imaje DoD 4500 giúp bạn tối ưu hóa hiệu suất và tiết kiệm chi phí vật tư một cách vượt trội.
Giới thiệu về máy in Markem-Imaje DoD 4500
Markem-Imaje DoD 4500 là dòng máy in phun ký tự lớn (Large Character Inkjet – LCIJ) sử dụng công nghệ van điều khiển theo lệnh (Drop on Demand – DoD) tiên tiến. Nhờ thiết kế nhỏ gọn, linh hoạt cùng khả năng in ấn mạnh mẽ, model 4500 dễ dàng tích hợp vào bất kỳ dây chuyền sản xuất nào, từ thực phẩm, đồ uống đến hàng tiêu dùng, điện tử và nhiều ngành công nghiệp khác.

Ưu điểm nổi bật của máy in DoD 4500
✔ In ký tự lớn, sắc nét
- Với khả năng in chiều cao từ 8mm đến 64mm, máy phù hợp in trên thùng carton, bao bì lớn, đáp ứng tiêu chuẩn đóng gói công nghiệp.
✔ Điều khiển nhiều đầu in linh hoạt
- Hệ thống điều khiển lên đến 4 đầu in, hỗ trợ in một dòng hoặc hai dòng với 7 hoặc 16 van. Giúp tùy chỉnh linh hoạt theo từng sản phẩm hoặc vị trí cần in.
✔ Hiệu suất cao, dễ sử dụng
- Tốc độ in lên đến 60m/phút
- Bộ nhớ lưu trữ 800 bản tin
- Bàn phím điều khiển thân thiện, dễ thao tác
- Hỗ trợ nhiều ngôn ngữ in khác nhau mà không cần thay đổi bàn phím
✔ Tiết kiệm chi phí vận hành
- Sử dụng bình mực 0.5 – 1L, giúp tối ưu chi phí tiêu hao và thời gian thay thế. Đặc biệt, thiết kế máy giúp giảm thiểu lỗi kỹ thuật và thời gian bảo trì.
Thông số kỹ thuật chi tiết
| Hạng mục | Thông số |
| Kích thước máy (WxLxH) | 603 × 250 × 430 mm |
| Dung tích bình mực | 0,5 – 1 L |
| Tốc độ in | 60 m/phút |
| Số đầu in điều khiển | Lên đến 4 đầu |
| Đầu in | 7 van in một dòng hoặc 16 van in hai dòng |
| Chiều cao bản tin | 8 – 64 mm |
| Độ dài bản tin | Lên đến 5000 ký tự |
| Khả năng in | Ký tự, ngày tháng, số đếm, … |
| Hoạt động & bộ nhớ | Lưu trữ đến 800 bản tin, bàn phím điều khiển thân thiện, dễ sử dụng |
| Ngôn ngữ bản tin | Có khả năng in bản tin với ngôn ngữ khác với bàn phím |

Ứng dụng thực tế
Máy in DoD 4500 được ứng dụng rộng rãi trong:
- In mã sản phẩm, mã lô, ngày sản xuất – hạn sử dụng
- In logo, thông tin cảnh báo, mã đếm tự động
- In thông tin sản phẩm lên thùng carton, bao bì ngoài
Tại sao nên chọn Markem-Imaje DoD 4500?
- Thương hiệu toàn cầu Markem-Imaje – uy tín trong ngành in công nghiệp
- Hiệu suất cao – vận hành bền bỉ
- Dễ dàng tích hợp và bảo trì
- Hỗ trợ kỹ thuật chuyên nghiệp
Nếu bạn đang tìm một thiết bị in phun công nghiệp chất lượng cao, đáng tin cậy và tiết kiệm chi phí, Markem-Imaje DoD 4500 chính là lựa chọn hoàn hảo cho doanh nghiệp của bạn.



