Máy In Phun Markem-Imaje DoD 4700
Máy in phun Markem-Imaje DoD 4700 – nhỏ gọn, in nhanh đến 90m/phút, hỗ trợ in 1-2 dòng với chiều cao từ 8–144mm, lưu đến 800 bản tin. In rõ trên bìa cứng, nhựa, thủy tinh, kim loại, PVC, gỗ. Dung tích mực 0.5L, đầu in 7 hoặc 16 van, in đến 5.000 ký tự. Dễ vận hành, ít bảo trì.
- Hotline: 0965 800 166
1. Giới thiệu sản phẩm máy in DoD 4700
Bạn đang tìm kiếm một chiếc máy in phun công nghiệp nhỏ gọn, dễ sử dụng nhưng vẫn đảm bảo chất lượng in rõ nét trên mọi chất liệu? Máy in phun Markem-Imaje DoD 4700 chính là giải pháp lý tưởng cho nhu cầu của bạn.
Máy in 4700 được thiết kế để đáp ứng nhu cầu mã hóa trong môi trường sản xuất hiện đại. Với khả năng hoạt động êm ái, yêu cầu bảo trì thấp, máy mang lại hiệu suất làm việc vượt trội, phù hợp với nhiều ngành công nghiệp: thực phẩm, đồ uống, bao bì, điện tử, vật liệu xây dựng…

2. Tính năng nổi bật của máy in Markem-Imaje DoD 4700
- In chính xác trên nhiều bề mặt: Dù là bìa cứng, nhựa, thủy tinh, kim loại, PVC hay gỗ – máy đều cho ra bản in sắc nét, bám lâu, không bị mờ khi lưu trữ lâu dài.
- Hỗ trợ nhiều màu mực: Dễ dàng chọn lựa màu in phù hợp với đặc điểm sản phẩm và bao bì.
- Linh hoạt trong thiết kế nội dung: Có thể in chữ ký tự, ngày tháng, mã số, logo hoặc số đếm… theo yêu cầu.
- Độ phân giải thấp nhưng dễ đọc: Giúp tiết kiệm mực in mà vẫn đảm bảo khả năng nhận diện cao.
- Dễ vận hành: Giao diện điều khiển thân thiện, hỗ trợ lưu trữ tới 800 bản tin và có thể nhập ngôn ngữ in khác biệt so với bàn phím.
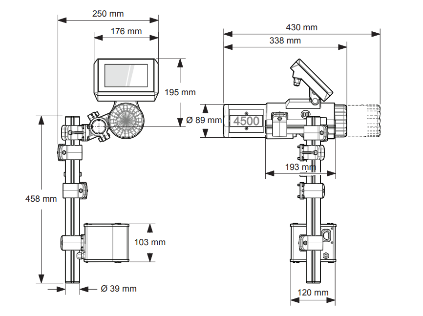
3. Thông số kỹ thuật chi tiết máy in DoD 4700
| Hạng mục | Thông số |
| Kích thước máy (WxLxH) | 1008 × 480 × 340 mm |
| Dung tích bình mực | 0,5 L |
| Tốc độ in | 90 m/phút |
| Đầu in | 7 van in một dòng hoặc 16 van in hai dòng |
| Chiều cao bản tin | 8 – 144 mm |
| Độ dài bản tin | Lên đến 5000 ký tự |
| Khả năng in | Ký tự, ngày tháng, số đếm, … |
| Hoạt động & bộ nhớ | Lưu trữ đến 800 bản tin, bàn phím điều khiển thân thiện, dễ sử dụng |
| Ngôn ngữ bản tin | Có khả năng in bản tin với ngôn ngữ khác với bàn phím |

4. Ứng dụng của máy in phun DoD 4700
- Bao bì sản phẩm: In ngày sản xuất, hạn sử dụng, mã QR…
- Ngành gỗ & xây dựng: In thông tin kỹ thuật trên gỗ, ống nhựa, tấm kim loại.
- Ngành thực phẩm & đồ uống: Mã hóa sản phẩm trực tiếp trên chai, lon, hộp nhựa hoặc thủy tinh.
- Kho vận – hậu cần: In mã hàng, lô sản xuất, logo lên thùng carton.
5. Lý do nên chọn Markem-Imaje 4700
- Thương hiệu toàn cầu, uy tín trong lĩnh vực in mã công nghiệp.
- Công nghệ in DoD tiên tiến, tiết kiệm mực, giảm chi phí vận hành.
- Máy hoạt động ổn định, độ bền cao, dễ bảo trì và thay thế linh kiện.
- Dịch vụ hỗ trợ kỹ thuật tận tâm, nhanh chóng.


